PP Flange Valve UAE, Flange Ball Valve UAE, PP Valve Distributor UAE, PP Valve Supplier UAE, PP Valve Wholesaler UAE, Plastic Valve UAE, Irrigation Valve UAE, Flanged End Valve UAE, Agriculture Valve UAE, Water Control Valve UAE, PP Fitting Supplier UAE, PP Ball Valve UAE
The pp ball valve is especially used to adjust the flow of water, liquid and various other types of fluids in different industrial and domestic pipes and hose fittings. We use graded UPVC materials to strictly design these valves. In order to meet the needs of our valuable customers, after verifying various quality parameters, we have provided valves of various sizes, sizes, connections and specifications.
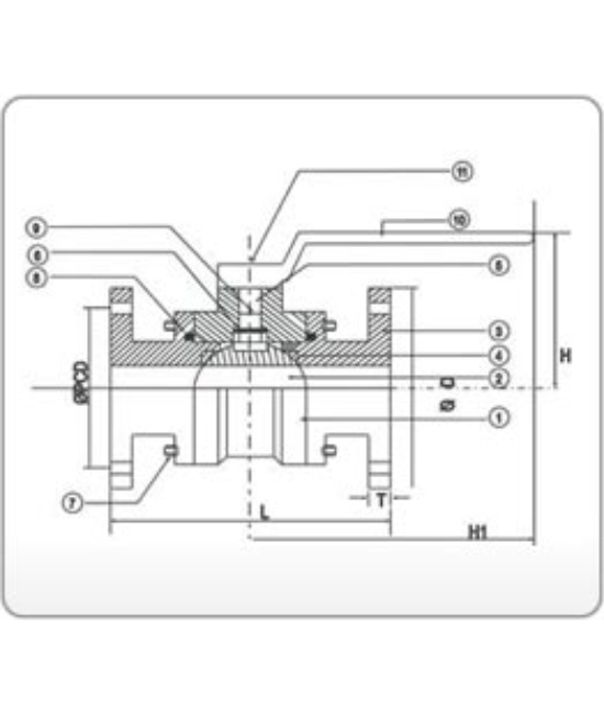
| Sr.No. | Part | Qty. | Material |
| 1. | Body | 1 | Polypropylene |
| 2. | Ball | 1 | P.P.R. |
| 3. | Screw End | 2 | Polypropylene |
| 4. | Seat | 2 | PTEE(Teflon) |
| 5. | Stem | 1 | P.P. Reinforced with M.S. |
| 6. | Bearing | 1 | Teflon |
| 7. | Stud & Nut | 5 to 10 | M.S. Zinc plated / S.S. 304 / S.S.316 |
| Construction | Multi Piece Body |
| Design | Three Piece |
| Size Range | 15mm. to 150mm. |
| Max working temp. | 90ºC (Consistently) |
| Gasket / Stem Seal | Neoprene |
| Hydraulic Test Pressure | 15 kg upto 4″ |
| Valve Size | Flange Diameter | Length Face to Face | Flange Thikness | Height Centre (H) |
| 15(1/2″) | 95 | 128 | 15 | 71.5 |
| 20(3/4″) | 100 | 148 | 17 | 77 |
| 25(1″) | 120 | 155 | 19 | 90 |
| 32(1.1/4″) | 140 | 180 | 19 | 110 |
| 40(1.1/2″) | 140 | 180 | 19 | 110 |
| 50(2″) | 165 | 205 | 21 | 117.5 |
| 65(2.1/2″) | 185 | 237 | 26 | 147.5 |
| 80(3″) | 200 | 250 | 26 | 162 |
| 100(4″) | 230 | 300 | 27 | 185 |
| 150(6″) | 305 | 430 | 35 | 247.5 |
| 1. Available in Flange Type in 15 mm to 150 mm and in Screw Type in 15 mm to 100 mm. |
| 2. Manufactured from Poly Propylene, a Chemically inert thermoplastic. |
| 3. Can be used upto 90ºC Temp. |
| 4. Hydraulically and Pneumatically tested for 15 Kg. upto 4″. |
| 5. Protective and Resistive from most of the corrosive Chemicals. |
| 6. Flange drilled as per customer’s specification. |
1. Black PP Flange End Ball Valve UAEDiscover top-grade Black PP Flange End Ball Valves in the UAE, built for durability and chemical resistance. Ideal for irrigation, agriculture, and industrial applications, these valves offer easy installation and long-lasting performance. Made from high-quality polypropylene, they withstand UV rays, corrosion, and high pressure, ensuring reliable flow control. Suitable for water treatment and fertilizer systems, our valves help reduce maintenance time and costs. Widely used across farms and industrial plants in the UAE. Choose a trusted solution for secure connections and leak-proof flow management. | 2. PP Flanged Ball Valve Supplier UAELooking for a reliable PP Flanged Ball Valve Supplier in UAE? Our valves are engineered to meet rigorous standards of performance and safety. Supplied across agriculture, plumbing, and fluid handling sectors, these valves ensure tight shutoff, resistance to chemicals, and ease of maintenance. With precision-molded flanges, these valves guarantee secure installation in piping systems. We serve UAE clients with prompt delivery, competitive pricing, and customization options. Poonam Industries is your trusted partner for bulk and retail valve supply across the Emirates. | 3. Plastic Ball Valve Flange Type UAEOur Plastic Ball Valve Flange Type range is specifically designed for UAE’s irrigation and industrial markets. These flange-end valves are made from high-strength polypropylene, making them suitable for harsh conditions and aggressive fluids. Lightweight yet strong, they are perfect for transporting water, fertilizers, and chemicals. The flange connection ensures leak-proof assembly with other pipeline components. Widely used in agricultural irrigation systems, water distribution, and chemical processing units across the UAE. We ensure quality, durability, and superior performance in every valve. |
4. Heavy Duty PP Ball Valve UAEChoose our Heavy Duty PP Ball Valve for demanding applications across the UAE. Manufactured using high-quality polypropylene, it offers unmatched strength, UV protection, and chemical resistance. Perfect for high-pressure irrigation and industrial systems, it ensures long-lasting, maintenance-free service. Our heavy-duty valves are trusted by farmers, engineers, and contractors for their robust design and reliability. Ideal for continuous use in water distribution and fertigation systems, these valves are tested for performance under UAE's challenging weather and water conditions. | 5. Flanged End Ball Valve for Irrigation UAEOur Flanged End Ball Valve for Irrigation is the go-to solution for farmers and greenhouse operators in UAE. Designed to offer maximum flow efficiency and control, it integrates easily with pipelines using standard flanged connections. Made from durable PP material, it resists fertilizer corrosion and UV damage, ensuring excellent life cycle value. Suitable for drip and sprinkler irrigation systems, it delivers uniform flow with minimal pressure loss. Ideal for agricultural lands across UAE's arid zones. We supply in all major emirates including Dubai, Abu Dhabi, and Sharjah. | 6. PP Industrial Ball Valve UAEBuilt for performance, our PP Industrial Ball Valves serve industries across the UAE in sectors like chemicals, water treatment, and agro-processing. These valves are precision-engineered for reliable shutoff and flow regulation in high-demand environments. Manufactured from polypropylene, they offer excellent resistance to acid, alkali, and saline conditions, which are common in UAE industrial zones. Featuring a robust flange end design, our valves support seamless integration into various piping systems. Ideal for both temporary and permanent setups in industrial operations. |
7. Agriculture Flange Ball Valve UAEEnsure water control efficiency with our Agriculture Flange Ball Valve, specially designed for UAE's farming needs. Built using UV-stabilized PP, it withstands long-term exposure to sun and chemicals used in irrigation. The flanged end offers a secure fit, minimizing leakages and improving water pressure regulation in rainpipe or drip setups. Trusted by agricultural professionals in Al Ain, Ras Al Khaimah, and rural UAE regions. Optimize irrigation cycles and save on water wastage with reliable performance valves from Poonam Industries. | 8. PP Ball Valve Exporter to UAEWe are a trusted PP Ball Valve Exporter to UAE, delivering high-performance valves for irrigation and industrial use. Our flanged valves are made with care to meet international quality and dimensional standards. With fast delivery across Dubai, Sharjah, and other emirates, we ensure that distributors and contractors always get what they need. Our valves support agricultural modernization in UAE’s desert climate, offering resistance to pressure, weather, and chemicals. As an exporter, we provide documentation, quality checks, and packaging that meets UAE import norms. | 9. Flanged Plastic Valve Supplier UAEAs a Flanged Plastic Valve Manufacturer serving the UAE, we deliver precision-molded valves ideal for water management, irrigation, and industrial piping. Made from 100% virgin PP, our valves are lightweight yet resilient. We supply to UAE wholesalers, retailers, and project contractors who value durability and consistent flow control. Customization available for flange size, pressure class, and handle type. Our valves are tested for performance under desert temperatures and varying water quality—ideal for municipal, residential, and agricultural use. |
10. PP Flange Valve Distributor in UAESearching for a dependable PP Flange Valve Distributor in UAE? Look no further than our extensive supply network. We provide quick, reliable delivery of flange-end PP valves suited for agriculture, water treatment, and construction industries. Our valves support seamless installation in pipelines, ensuring zero-leak operation even under pressure. As a leading distributor, we work closely with contractors and farm suppliers across the Emirates to ensure stock availability and customer satisfaction. Count on us for volume pricing, quality assurance, and technical support. |
Copyright © 2026 Globle Infotech. All rights reserved.