Available in Flange Type in 15 mm to 150 mm and in Screw Type in 15 mm to 100 mm. Our pp screwed end ball valve is broadly being utilized in the different enterprises for controlling or choking and is accessible in the wide assortment of particulars and minimal effort.
Available in Flange Type in 15 mm to 150 mm and in Screw Type in 15 mm to 100 mm.
Concerning the changing prerequisite of the market, we maker of the ball valve are herewith the powerful and dependable scope of the PP ball valve with the screwed end, arranged and fabricated in understanding to the global quality principles.
This screwed finish of this PP ball valve is characterized and uniform helps tight fit with the separate channeling framework hardware and guarantees the release free understanding all through. There is no danger of the consumption or harm, because of the PP material, sharing phenomenal obstruction against erosion and synthetic concoctions, making it valuable in a wide range of use.
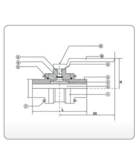
| Sr.No. | Part | Qty. | Material |
| 1. | Body | 1 | Polypropylene |
| 2. | Ball | 1 | P.P.R. |
| 3. | Screw End | 2 | Polypropylene |
| 4. | Seat | 2 | PTEE(Teflon) |
| 5. | Stem | 1 | P.P. Reinforced with M.S. |
| 6. | Bearing | 1 | Teflon |
| 7. | Stud & Nut | 5 to 10 | M.S. Zinc plated / S.S. 304 / S.S.316 |
| 8. | Body “O” Ring | 2 | Neoprene / Teflon |
| 9. | Stem “0” Ring | 1 | Neoprene / Viton |
| 10. | Handle | 1 | P.P. Reinforced with M.S. |
| 11. | Pin | 1 | S.S. 304 |
| Construction | Multi Piece Body |
| Design | Three Piece |
| Size Range | 15mm. to 150mm. |
| Max working temp. | 90ºC (Consistently) |
| Gasket / Stem Seal | Neoprene |
| Hydraulic Test Pressure | 15 kg upto 4″ |
| Valve Size | Length Face to Face | Height Centre (H) |
| 15(1/2″) | 87 | 71.5 |
| 20(3/4″) | 136 | 77 |
| 25(1″) | 103 | 90 |
| 32(1.1/4″) | 132 | 110 |
| 40(1.1/2″) | 132 | 110 |
| 50(2″) | 161 | 117.5 |
| 65(2.1/2″) | 188 | 147.5 |
| 80(3″) | 218 | 162 |
| 100(4″) | 256 | 185 |
1. Available in Flange Type in 15 mm to 150 mm and in Screw Type in 15 mm to 100 mm.
2. Manufactured from Poly Propylene, a Chemically inert thermoplastic.
3. Can be used upto 90°C Temp.
4. Hydraulically and Pneumatically tested for 15 kg upto 4″.
5. Protective and Resistive from most of the corrosive Chemicals.
6. Exelent U.V. stabilty due to presence of carbon black.
7. Heavy duty valve can last for years after installation
Copyright © 2026 Globle Infotech. All rights reserved.